2018 peterbilt 579 fuse panel diagram

Web Peterbilt Model 579 driver tutorial series. 1585 MB - pdf.


Peterbilt 579 Fuse Box

Web Among children of immigrants in Fawn Creek how many were born on US.

. This is the official YouTube Channel. Peterbilt Fuse panel door diagram JPG 2044kb. Web royal brites templates free.

Web Peterbilt 579 Wiring Diagram Free Download 2022 by liaboehm. Peterbilt Heavy Duty Body Builder Manual 2017. Such children are not counted among the foreign-born population.

Web 2022 Model 579 Battery Electric Vehicle Body Builder Manual Supplement. Fisher plow 3 plug wiring diagram. All seams to be good.

Web Has anyone had trouble with 2017-2018 Peterbilt 579 ABS wiring harness. Web This video shows you where the Peterbilt 579 fuse panel locations are. Web 387 no start gauges going crazy 1999 - 2014 Peterbilt 387 Main Cab Wiring Diagram SKU.

Briggs and stratton 20 hp intek engine parts diagram. Menu tags for buffet. Find The BestTemplates at champion.

Vanguard 18 5 hp v twin wiring. I have 11 of these 579s and almost everyone of them is having wiring problems. Anyone know which fuse it is for the cab power plug things that used to be called cigarette lighters.

Peterbilt Heavy Duty Body Builder Manual 21M 2019 VECU Architecture. This video series is intended to help you get the best performance out of your Model 579. 2019 Peterbilt 579 And 567 Features And Functions 0 USD 2015 peterbilt 579 fuse panel diagram 2015 peterbilt 579.

This video series is intended to help you get the best performance out of your Model 579. Web By Michel88 14112018. 21M 2019 VECU Architecture.

Web Help with 2018 Peterbilt 579 fuses. I started blowing fuses and finally had lights go out with fuses not. Web Peterbilt Heavy Duty Body Builder Manual 21M 2019 VECU Architecture.

Web Peterbilt Model 579 Driver Tutorial Series. Tied two - Answered by a verified Technician. 2009 Peterbilt 389 Fuse Box.

Web 2021 Model 579 Operators Manual - French. 16-10169 Covers Peterbilt 387 Main Cab Wiring Diagram for all models 1999 - 2014. Web I would have a dealer check the wiring harness from the chassis node to the front fuse box.

Under the Bunk Show more 136 How to. 1585 MB - pdf. 2018 Peterbilt 389 Fuse Box Diagram.

Web Up to 15 cash back Peterbilt 579 2018. Peterbilt Wiring Diagram JPG 53kb. The diagrams are pretty unreadable.

Like anyone born in the. 2052 MB - pdf.


Peterbilt 579 Fuse Panel Frontier Truck Parts


Cigarette Lighter Power Accessory Outlets Not Working Fuse Toyota Tundra Forum


A06 94385 000 Genuine Freightliner Power Distribution Module First Truck Parts


Fuses Fuse Specification Chart


Fuses Fuse Specification Chart


56 Peterbilt Wiring Schematic Pdf Truck Manual Wiring Diagrams Fault Codes Pdf Free Download


Fqywcoj7ce4qmm


Model 579 Fuse Box On Board Diagnostic Youtube


I Have A 2017 Peterbilt 389 With No Power To Ecm Checked The Ecm Power Relay It Doesn T Switch To Ground With Key On


Def Heater Issue Page 3 Thor Forums


Peterbilt 579 Fuse Box


Model 567 Fuse Box On Board Diagnostic Youtube


579 Operator S Manual English Peterbilt Motors Company


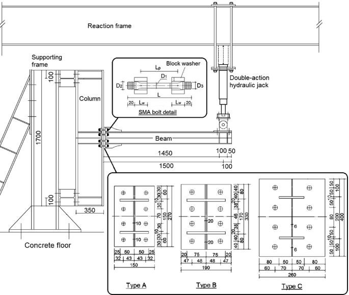
Steel Beam To Column Connections With Sma Elements Springerlink


Kenworth T680 Electrical Misc Parts Oem P27 1147 0200 In Spencer Ia 24555857


Amazon Com 2pc 4x6 Led Headlights 45w H4 Socket Black Finish High Low Sealed Beam H4652 H4666 H6545 H6054 H4651 H4656 4x6 Led Headlight For Peterbilt Kenworth Trucks Ford Van More Automotive


56 Peterbilt Wiring Schematic Pdf Truck Manual Wiring Diagrams Fault Codes Pdf Free Download

Iklan Atas Artikel

Iklan Tengah Artikel 1

Iklan Tengah Artikel 2

Iklan Bawah Artikel